北京江云聚力科技有限公司--电动位移台系列

品质更高,反应更快,服务更好,北京江云聚力科技有限公司欢迎您!

热线电话:18611310371样册下载

精密电控角位台

位置:首页 > 电动位移台系列 > 精密电控角位台

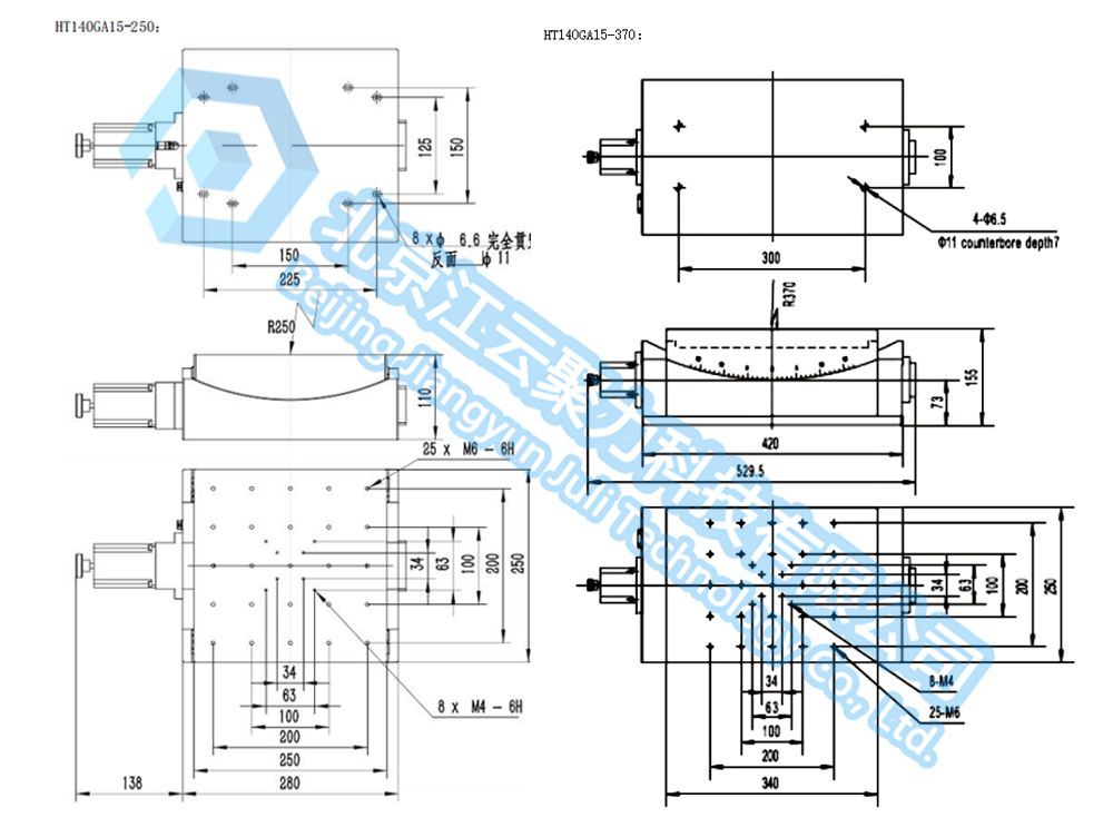
HT140GA15大台面精密电动角位台

品牌:江云

描述:采用耐磨弧形V导轨,特殊工艺处理,耐磨性高,精度可靠性高,精加工蜗轮蜗杆传动,定位精度高,驱动力大,运动平稳,旋转中心较高,适合安装大尺寸物体,台面外围的刻度圈是激光刻划标尺,标尺可相对台面转动,方便初始定位和读数

产品商城 资料下载
  • 产品简介
  • 技术参数

jieshao.jpg

texing.jpg

canshu.jpg

chicun.jpg


https://share.weiyun.com/5QREian

推荐产品

更多产品+

在线客服
热线电话

北京江云聚力科技有限公司 © 版权所有 违者必究  电话: 18611310371  传真:   邮箱: pengna.wu@bjjyjl.cn  京ICP备19009285号-1

请完善信息
姓名:
*电话:
公司名称: