北京江云聚力科技有限公司--电动位移台系列

品质更高,反应更快,服务更好,北京江云聚力科技有限公司欢迎您!

热线电话:18611310371样册下载

精密电控角位台

位置:首页 > 电动位移台系列 > 精密电控角位台

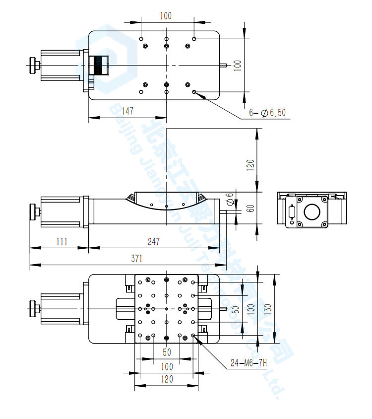
HT130GA15-120高承载电动角位台

品牌:江云

描述:标配步进电机和RS232接口,可与运动控制器方便联接,采用精密研配的涡轮蜗杆结构,运动舒适,可以任意正向和反向旋转,步进电机和蜗杆通过进口高品质弹性联轴器接连,传动同步,消偏性能好,降低了偏心扰动且噪音小

产品商城 资料下载
  • 产品简介
  • 技术参数


jieshao.jpg

texing.jpg


参数、.jpg

chicun.jpg

https://share.weiyun.com/5jSJlGx

推荐产品

更多产品+

在线客服
热线电话

北京江云聚力科技有限公司 © 版权所有 违者必究  电话: 18611310371  传真:   邮箱: pengna.wu@bjjyjl.cn  京ICP备19009285号-1

请完善信息
姓名:
*电话:
公司名称: